Nyitvatartási idő: H-P 08:00 - 16:00 |
Ajánlatkérés
Ajánlatkérés

Z Szelemen

Z Szelemen
A Z szelemen egy kis súlyú, hidegen horganyzott acélprofil, ami a megrendelő kívánalmai szerint akár automata előfúrással is készülhet, és ipari, kereskedelmi, mezőgazdasági és lakossági célú épületekhez acél szerkezeti főelemként, valamint az építési szerkezetek másodlagos elemeként használható fel. A magassága 100 mm és 400 mm közötti lehet, vastagsága 1-4 mm, hossza 2 m és 13,5 m közötti, de igény szerint akár 15 méteres hosszúságban is rendelhető. Az ára kedvező, azonban súlya okán további költségcsökkentő tényezőként is szolgálhat.
Műszaki leírás
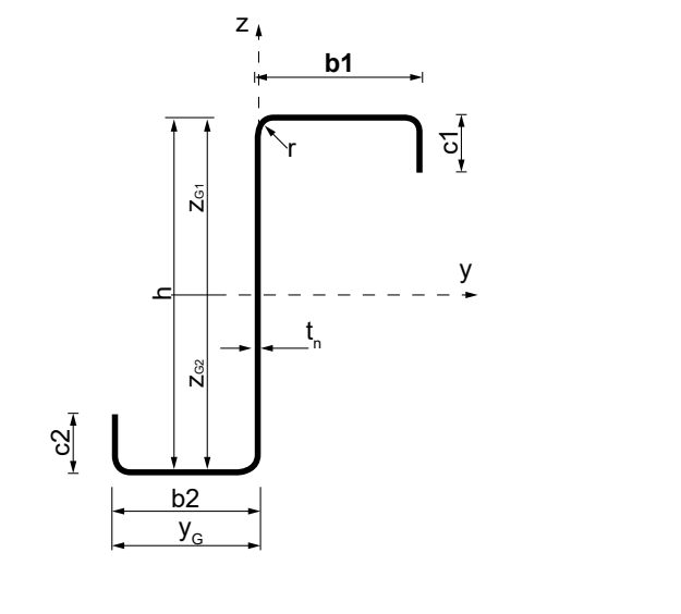
Szakaszok magassága 200-400 mm
Vastagság 1-4 mm
Normál vágási hossz 2000-13500mm
Hajlítási szögek 90º
Metszetrajz
Z Szelemen - 1
V. Zoltán
V. Zoltán
Tsz Vakula Andrea
Igen szeretném ha eljutna ez a levél feletteséhez. Köszönöm hogy önöknél vásárolhattam. Köszönöm segítő készségét . Köszönöm kollégája sofför segítségét. Szerintem egy igazán jó csapat működik önöknél.
R. Péter
R. Péter
Megjött a megrendelt lemezcserép, nagyon örülünk neki fenn van már a tetőn, Köszönöm a segítségét, ISTEN ÁLDJA MEG ÖNT a segítségéért. Köszönöm.
V. János
V. János
Tisztelt Bajos Úr! Köszönöm a megrendelt anyagok szállítását. Valahogy így képzelem el az igazi kereskedőt! A szállító is rendkívül udvarias volt. Mégegyszer köszönöm. Így kell kereskedni.
M. Zsuzsanna
M. Zsuzsanna
Küldemények épségben, hiánytalanul megérkezett. Köszönöm a korrekt tájékoztatást a gyors, pontos szállítást További sikeres munkát kívánok.
B. Krisztián
B. Krisztián
Tisztelt Tamás!
Köszönöm a korrekt hozzáállást ,szállítás a csupaszív sofőrt, és a megbízhatóságot. Nagyon örülök, hogy önnek választottam. Teljesen elégedett vagyok. További jó munkát kívánok.
Roberto
Roberto
Kedves Ákos!
Köszönöm a gyors ügyintézést szuper volt minden. Elégedett vagyok …. Kívánok minden jót a továbbiakban.
M. Andrea
M. Andrea
Köszönöm szépen, nagyon elégedett vagyok a gyorsasággal, a tájékoztatással és a folyamatos kapcsolattartásal.
H. Zsolt
H. Zsolt
Köszönöm a rugalmasságukat, az összeg már át is érkezett. Örülök, hogy minden ilyen flottul működött! Bátran ajánlom Önöket a továbbiakban is.
Sz. Gyula
Sz. Gyula
Kedves Dorina!
Köszönöm a gyors és precíz ügyintézést, szállítást. Mindenki segítőkész és kedves. Kellemes ünnepeket!
I. Gabriella
I. Gabriella
Köszönöm kedvességüket, a cég profizmusa, embersége emlékezetes, 'névjegyként' a jó szolgáltatók közt tartjuk Önöket!
Szép napot!
V. Tamás
V. Tamás
Tisztelt Nagy Nándor!
Szeretném megköszönni a segítséget, megérkezett a trapézlemez és a kiegészítők. Minden tökéletes lett, a sofőr kolléga nagyon rendes, segítőkész volt a lepakolásnál. Csak ajánlani tudom mindenkinek Önöket!
Cs. Lajos
Cs. Lajos
Tökéletes és korrekt!
Továbbra is 'ajánlott' kategóriában vagytok nálunk!
Köszönjük, szép estét!
D. Fémmegmunkáló Kft
D. Fémmegmunkáló Kft
Köszönöm szépen a gyors, korrekt szállítást. D. Fémmegmunkáló Kft nevében.
T.Tamás
T.Tamás
Az árajánlatot még aznap megkaptam amikor kértem. Minden kérdésemre készségesen válaszoltak. A gyártás hamarabb elkészült, mint ígérték és utána a szállítás is gyors volt. Legközelebb is tőlük vásárolok.
K. Lajos
K. Lajos
Telefonon hívtam a céget, pár percen belül már meg is kaptam az árajánlatot e-mailben. Én árakban nem találtam náluk jobbat. Személyesen mentem el érte, az árukiadás is gyorsan ment, nem kellett várni. Annyit fizettem amennyit megbeszéltünk.

Megtetszett Önnek termékünk?

Kérjen árajánlatot a +36 (30) 160-7665 telefonszámon, vagy vegye fel velünk a kapcsolatot az pap.tibor@lemezker.hu e-mail címen!

Ajánlatkérés

Z Szelemen

A Z szelemen egy acélprofil, amely tetőszerkezetek építéséhez és az épületszerkezetek másodlagos szerkezeti elemeként alkalmazható, és amit mezőgazdasági, kereskedelmi és ipari épületekhez, továbbá akár lakossági építési munkálatokhoz is fel lehet használni. Mivel vékony lemezből készülnek, ez kevesebb acélt és alacsonyabb súlyt eredményez; ennek egyenes következménye, hogy az épületek tervezése és kivitelezése alacsonyabb költségkeretből is megvalósítható, maga az építkezés gyorsabb és olcsóbb, ami a csavarkötésnek, az előre kifúrt lyukaknak, valamint a felületkezelésnek köszönhető.

A Z szelemen hidegen horganyzott, de további bevonatokkal is ellátható a megrendelő igényei szerint, így fokozottan ellenáll a korróziónak. A magassága 100 mm és 400 mm közötti lehet, a vastagsága 1-4 mm, a hossza pedig 2-13,5 m lehet, de akár 15 méteres hosszúságban, akár az építési tervnek megfelelő, automata előfúrással is rendelhető. Ez utóbbinak hála a csavarkötéssel történő rögzítés egyszerűbb és gyorsabb, felületkezelésre pedig csak akkor van szükség a helyszínen, ha a gyári bevonat megsérül, ez pedig javítófestékkel könnyedén megoldható.

A Z szelemenekkel épített szerkezet tartós, a nagyobb földmozgásokat is képes sérülés nélkül elviselni, ellenáll a korróziónak, és karbantartást sem igényel. Emellett a szállítási költsége is alacsony, a rendszer pedig a bontását követően újra felhasználható, vagyis tulajdonképpen környezetkímélő.

Amennyiben Z szelemeneket szeretne vásárolni, illetve, ha kérdése lenne termékeinkkel kapcsolatban, forduljon hozzánk bizalommal megadott elérhetőségeink egyikén!

Ajánlott termékek